emilspec
An Integrated Publishing, Inc. Site
eMilSpec
An Integrated Publishing Website
MIL-DTL-22438-2 Panel, Receptacle, Enclosed, Electrical And Electronic \(Symbol No. 755.3\)
Pages
1
-
2
-
3
-
4
-
5
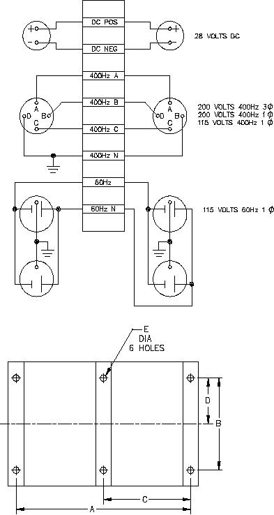
MIL-DTL-22438/2C
FIGURE 2. Wiring diagram and mounting dimensions.
3
For Parts Inquires submit RFQ to
Parts Hangar, Inc.
© Copyright 2015 Integrated Publishing, Inc.
A Service Disabled Veteran Owned Small Business